判决
宏碁 Swift Go 16 AI 兼具性能和便携性,令人印象深刻。它不仅拥有出色的 OLED 显示屏、超长的电池续航时间和强大的 AMD Ryzen AI 处理器,其设计也令人印象深刻。这款笔记本电脑仅重 1.5 千克,非常适合外出使用。铝制外壳赋予了它现代、时尚的外观,并增加了其坚固性。
随着时间的推移,OLED 面板上的热气流可能会产生潜在的问题。此外,满载情况下的风扇噪音和相对适中的扬声器质量也可能成为要求苛刻的用户的心头之患。16 GB 的内置 RAM 也可能无法满足大量 AI 应用的需求。
尽管存在这些问题,宏碁 Swift Go AI 仍是同类笔记本电脑中令人印象深刻的一款,尤其是考虑到其低于 1000 欧元的价位。
Pros
Cons
规格
外壳和连接
宏碁 Swift Go 外形时尚,略带棱角,采用铝制材料。屏幕盖采用精细的线条和微妙的品牌装饰。单手打开时,笔记本电脑背面略微抬起,从而改善了人体工学和散热效果。这让笔记本电脑的外观更显高端。
2.5K 网络摄像头位于显示屏上的小突起部分,可生成良好的图像。配备 Wi-Fi 7 的联发科模块确保了稳定的 Wi-Fi 连接。大部分连接都集中在笔记本的左侧。这里还有两个 USB-4 端口。
» Notebookcheck多媒体笔记本电脑Top 10排名
» Notebookcheck游戏笔记本电脑Top 10排名
» Notebookcheck低价办公/商务笔记本电脑Top 10排名
» Notebookcheck高端办公/商务笔记本电脑Top 10排名
» Notebookcheck工作站笔记本电脑Top 10排名
» Notebookcheck亚笔记本电脑Top 10排名
» Notebookcheck超级本产品Top 10排名
» Notebookcheck变形本产品Top 10排名
» Notebookcheck平板电脑Top 10排名
» Notebookcheck智能手机Top 10排名
» Notebookcheck评测过最出色的笔记本电脑屏幕
» Notebookcheck售价500欧元以下笔记本电脑Top 10排名
» Notebookcheck售价300欧元以下笔记本电脑Top 10排名
尺寸比较

可持续性
该设备已在EPEAT 注册并提供PCF 文件(产品碳足迹),使其对环境的影响更加透明。.此外,该设备易于访问和清洁也是一个优点。外壳可拆卸,固态硬盘和 WLAN 模块可互换,在连接子板的扁平电缆下还隐藏着第二个 M.2 固态硬盘插槽。
输入设备
显示屏
| |||||||||||||||||||||||||
Brightness Distribution: 98 %
Center on Battery: 391 cd/m²
Contrast: ∞:1 (Black: 0 cd/m²)
ΔE ColorChecker Calman: 2.62 | ∀{0.5-29.43 Ø4.78}
calibrated: 1.54
ΔE Greyscale Calman: 3.3 | ∀{0.09-98 Ø5}
96.87% AdobeRGB 1998 (Argyll 3D)
100% sRGB (Argyll 3D)
99.66% Display P3 (Argyll 3D)
Gamma: 2.205
CCT: 6437 K
| Acer Swift Go 16 AI SFG16-61-R5Y5 ATNA60FV03-0, OLED, 2880x1800, 16", 120 Hz | Lenovo Yoga Pro 9 16IAH G10 RTX 5060 ATNA60HR04-0, OLED, 2880x1800, 16", 120 Hz | Dell 16 Plus AU Optronics B160QAN, IPS, 2560x1600, 16", 120 Hz | LG Gram Pro 16Z90TS-G.AU89G LG DISPLAY LP160WQ2-SPF1, IPS, 2560x1600, 16", 144 Hz | MSI Prestige 16 AI Evo B2HMG B160QAN03_R, IPS, 2560x1600, 16", 60 Hz | Acer Aspire 16 A16-51GM-77G2 N160JCA-EEK (Chi Mei CMN163D), IPS, 1920x1200, 16", 60 Hz | |
|---|---|---|---|---|---|---|
| Display | -3% | -14% | -4% | -5% | -50% | |
| Display P3 Coverage (%) | 99.66 | 99 -1% | 76.6 -23% | 97.96 -2% | 96.4 -3% | 42.3 -58% |
| sRGB Coverage (%) | 100 | 100 0% | 99.8 0% | 100 0% | 99.7 0% | 63.6 -36% |
| AdobeRGB 1998 Coverage (%) | 96.87 | 89.6 -8% | 78.4 -19% | 86.65 -11% | 84.3 -13% | 43.7 -55% |
| Response Times | 54% | -991% | -1454% | -1578% | -944% | |
| Response Time Grey 50% / Grey 80% * (ms) | 1.6 ? | 1.47 ? 8% | 32.8 ? -1950% | 47 ? -2838% | 51.5 ? -3119% | 31.4 ? -1863% |
| Response Time Black / White * (ms) | 17.8 ? | 0.42 ? 98% | 23.4 ? -31% | 30 ? -69% | 24.3 ? -37% | 22 ? -24% |
| PWM Frequency (Hz) | 220 | 1200 ? | ||||
| PWM Amplitude * (%) | 82 | 37 55% | ||||
| Screen | 38% | -33% | 34% | -52% | -62% | |
| Brightness middle (cd/m²) | 393 | 475 21% | 335.6 -15% | 442 12% | 471 20% | 352 -10% |
| Brightness (cd/m²) | 393 | 474 21% | 308 -22% | 406 3% | 455 16% | 324 -18% |
| Brightness Distribution (%) | 98 | 97 -1% | 88 -10% | 86 -12% | 92 -6% | 86 -12% |
| Black Level * (cd/m²) | 0.22 | 0.17 | 0.2 | 0.27 | ||
| Colorchecker dE 2000 * | 2.62 | 1 62% | 4.15 -58% | 0.84 68% | 5.8 -121% | 4.41 -68% |
| Colorchecker dE 2000 max. * | 5.11 | 2 61% | 9.8 -92% | 1.62 68% | 10.8 -111% | 15.04 -194% |
| Colorchecker dE 2000 calibrated * | 1.54 | 0.44 71% | 0.88 43% | 1.9 -23% | 3.52 -129% | |
| Greyscale dE 2000 * | 3.3 | 1.3 61% | 6.7 -103% | 1.53 54% | 7.8 -136% | 3.32 -1% |
| Gamma | 2.205 100% | 2.24 98% | 2.25 98% | 2.173 101% | 2.07 106% | 2.44 90% |
| CCT | 6437 101% | 6672 97% | 6260 104% | 6496 100% | 7262 90% | 7122 91% |
| Contrast (:1) | 1525 | 2600 | 2355 | 1304 | ||
| Total Average (Program / Settings) | 30% /
31% | -346% /
-188% | -475% /
-224% | -545% /
-294% | -352% /
-206% |
* ... smaller is better
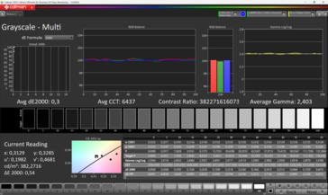
对于创意人员来说,色域范围至关重要:该显示器几乎覆盖了整个 Display P3 色彩空间。开箱即用的色彩精确度已经非常出色,几乎不需要校准。图像刷新时闪烁是有机发光二极管面板的一个特点。这里的频率为 220 到 250 Hz。
Display Response Times
| ↔ Response Time Black to White | ||
|---|---|---|
| 17.8 ms ... rise ↗ and fall ↘ combined | ↗ 17 ms rise | |
| ↘ 0.8 ms fall | ||
| The screen shows good response rates in our tests, but may be too slow for competitive gamers. In comparison, all tested devices range from 0.1 (minimum) to 240 (maximum) ms. » 39 % of all devices are better. This means that the measured response time is better than the average of all tested devices (20.2 ms). | ||
| ↔ Response Time 50% Grey to 80% Grey | ||
| 1.6 ms ... rise ↗ and fall ↘ combined | ↗ 0.8 ms rise | |
| ↘ 0.8 ms fall | ||
| The screen shows very fast response rates in our tests and should be very well suited for fast-paced gaming. In comparison, all tested devices range from 0.165 (minimum) to 636 (maximum) ms. » 6 % of all devices are better. This means that the measured response time is better than the average of all tested devices (31.7 ms). | ||
Screen Flickering / PWM (Pulse-Width Modulation)
| Screen flickering / PWM detected | 220 Hz Amplitude: 82 % | ||
The display backlight flickers at 220 Hz (worst case, e.g., utilizing PWM) . The frequency of 220 Hz is relatively low, so sensitive users will likely notice flickering and experience eyestrain at the stated brightness setting and below. In comparison: 53 % of all tested devices do not use PWM to dim the display. If PWM was detected, an average of 8145 (minimum: 5 - maximum: 343500) Hz was measured. | |||
性能
宏碁为 Swift Go AI 提供了多种硬件配置。我们的测试设备配备了 AMD Ryzen AI 7 350 处理器和 16 GB 内存,考虑到处理器的强大性能,这个配置似乎有些有限。
处理器
Ryzen AI 7 Ryzen AI 7Ryzen AI 7 的 CPU 性能相对较高,足以胜任日常的所有任务。不过,在纯粹的计算基准测试中与联想 Yoga Pro 9 和微星 Prestige AI 直接比较时,它必须让位于更强大的竞争对手,如 Intel Core Ultra 9 285H或 英特尔酷睿至尊 7 255H.这些英特尔芯片的时钟速度更高,有时单核性能也更出色。
Cinebench R15 多循环
Cinebench R23: Multi Core | Single Core
Cinebench R20: CPU (Multi Core) | CPU (Single Core)
Cinebench R15: CPU Multi 64Bit | CPU Single 64Bit
Blender: v2.79 BMW27 CPU
7-Zip 18.03: 7z b 4 | 7z b 4 -mmt1
Geekbench 6.5: Multi-Core | Single-Core
Geekbench 5.5: Multi-Core | Single-Core
HWBOT x265 Benchmark v2.2: 4k Preset
LibreOffice : 20 Documents To PDF
R Benchmark 2.5: Overall mean
| CPU Performance rating | |
| Lenovo Yoga Pro 9 16IAH G10 RTX 5060 | |
| MSI Prestige 16 AI Evo B2HMG | |
| Average AMD Ryzen AI 7 350 | |
| Acer Swift Go 16 AI SFG16-61-R5Y5 | |
| Average of class Multimedia | |
| Acer Aspire 16 A16-51GM-77G2 | |
| LG Gram Pro 16Z90TS-G.AU89G | |
| Dell 16 Plus | |
| Cinebench R23 / Multi Core | |
| Lenovo Yoga Pro 9 16IAH G10 RTX 5060 | |
| MSI Prestige 16 AI Evo B2HMG | |
| Acer Swift Go 16 AI SFG16-61-R5Y5 | |
| Acer Swift Go 16 AI SFG16-61-R5Y5 | |
| Average AMD Ryzen AI 7 350 (12647 - 17899, n=15) | |
| Average of class Multimedia (4861 - 30783, n=80, last 2 years) | |
| LG Gram Pro 16Z90TS-G.AU89G | |
| LG Gram Pro 16Z90TS-G.AU89G | |
| Dell 16 Plus | |
| Acer Aspire 16 A16-51GM-77G2 | |
| Cinebench R23 / Single Core | |
| MSI Prestige 16 AI Evo B2HMG | |
| Lenovo Yoga Pro 9 16IAH G10 RTX 5060 | |
| Acer Aspire 16 A16-51GM-77G2 | |
| Average AMD Ryzen AI 7 350 (1916 - 2006, n=15) | |
| Acer Swift Go 16 AI SFG16-61-R5Y5 | |
| Acer Swift Go 16 AI SFG16-61-R5Y5 | |
| LG Gram Pro 16Z90TS-G.AU89G | |
| LG Gram Pro 16Z90TS-G.AU89G | |
| Average of class Multimedia (1128 - 2459, n=72, last 2 years) | |
| Dell 16 Plus | |
| Cinebench R20 / CPU (Multi Core) | |
| Lenovo Yoga Pro 9 16IAH G10 RTX 5060 | |
| MSI Prestige 16 AI Evo B2HMG | |
| Average AMD Ryzen AI 7 350 (4897 - 6990, n=13) | |
| Acer Swift Go 16 AI SFG16-61-R5Y5 | |
| Average of class Multimedia (1887 - 11924, n=63, last 2 years) | |
| LG Gram Pro 16Z90TS-G.AU89G | |
| Dell 16 Plus | |
| Acer Aspire 16 A16-51GM-77G2 | |
| Cinebench R20 / CPU (Single Core) | |
| MSI Prestige 16 AI Evo B2HMG | |
| Lenovo Yoga Pro 9 16IAH G10 RTX 5060 | |
| Acer Aspire 16 A16-51GM-77G2 | |
| Average AMD Ryzen AI 7 350 (751 - 784, n=13) | |
| Acer Swift Go 16 AI SFG16-61-R5Y5 | |
| LG Gram Pro 16Z90TS-G.AU89G | |
| Dell 16 Plus | |
| Average of class Multimedia (420 - 853, n=63, last 2 years) | |
| Cinebench R15 / CPU Multi 64Bit | |
| Lenovo Yoga Pro 9 16IAH G10 RTX 5060 | |
| MSI Prestige 16 AI Evo B2HMG | |
| Acer Swift Go 16 AI SFG16-61-R5Y5 | |
| Acer Swift Go 16 AI SFG16-61-R5Y5 | |
| Average of class Multimedia (856 - 5224, n=69, last 2 years) | |
| Average AMD Ryzen AI 7 350 (1932 - 2734, n=14) | |
| LG Gram Pro 16Z90TS-G.AU89G | |
| Acer Aspire 16 A16-51GM-77G2 | |
| Dell 16 Plus | |
| Cinebench R15 / CPU Single 64Bit | |
| MSI Prestige 16 AI Evo B2HMG | |
| Lenovo Yoga Pro 9 16IAH G10 RTX 5060 | |
| Acer Aspire 16 A16-51GM-77G2 | |
| Acer Swift Go 16 AI SFG16-61-R5Y5 | |
| Acer Swift Go 16 AI SFG16-61-R5Y5 | |
| LG Gram Pro 16Z90TS-G.AU89G | |
| Average AMD Ryzen AI 7 350 (204 - 305, n=14) | |
| Dell 16 Plus | |
| Average of class Multimedia (99.6 - 323, n=66, last 2 years) | |
| Blender / v2.79 BMW27 CPU | |
| Acer Swift Go 16 AI SFG16-61-R5Y5 | |
| Acer Swift Go 16 AI SFG16-61-R5Y5 | |
| Dell 16 Plus | |
| Acer Aspire 16 A16-51GM-77G2 | |
| LG Gram Pro 16Z90TS-G.AU89G | |
| Average of class Multimedia (100 - 557, n=64, last 2 years) | |
| Average AMD Ryzen AI 7 350 (182 - 386, n=14) | |
| MSI Prestige 16 AI Evo B2HMG | |
| Lenovo Yoga Pro 9 16IAH G10 RTX 5060 | |
| 7-Zip 18.03 / 7z b 4 | |
| Lenovo Yoga Pro 9 16IAH G10 RTX 5060 | |
| MSI Prestige 16 AI Evo B2HMG | |
| Average of class Multimedia (29095 - 130368, n=61, last 2 years) | |
| Acer Swift Go 16 AI SFG16-61-R5Y5 | |
| Average AMD Ryzen AI 7 350 (48124 - 64653, n=13) | |
| Acer Aspire 16 A16-51GM-77G2 | |
| LG Gram Pro 16Z90TS-G.AU89G | |
| Dell 16 Plus | |
| 7-Zip 18.03 / 7z b 4 -mmt1 | |
| Acer Aspire 16 A16-51GM-77G2 | |
| Average AMD Ryzen AI 7 350 (5544 - 6371, n=13) | |
| MSI Prestige 16 AI Evo B2HMG | |
| Acer Swift Go 16 AI SFG16-61-R5Y5 | |
| Lenovo Yoga Pro 9 16IAH G10 RTX 5060 | |
| LG Gram Pro 16Z90TS-G.AU89G | |
| Average of class Multimedia (3666 - 7545, n=61, last 2 years) | |
| Dell 16 Plus | |
| Geekbench 6.5 / Multi-Core | |
| MSI Prestige 16 AI Evo B2HMG | |
| Lenovo Yoga Pro 9 16IAH G10 RTX 5060 | |
| Average of class Multimedia (4983 - 25760, n=76, last 2 years) | |
| Average AMD Ryzen AI 7 350 (10774 - 14194, n=14) | |
| Acer Swift Go 16 AI SFG16-61-R5Y5 | |
| LG Gram Pro 16Z90TS-G.AU89G | |
| Dell 16 Plus | |
| Acer Aspire 16 A16-51GM-77G2 | |
| Geekbench 6.5 / Single-Core | |
| MSI Prestige 16 AI Evo B2HMG | |
| Lenovo Yoga Pro 9 16IAH G10 RTX 5060 | |
| Acer Swift Go 16 AI SFG16-61-R5Y5 | |
| Acer Aspire 16 A16-51GM-77G2 | |
| Dell 16 Plus | |
| LG Gram Pro 16Z90TS-G.AU89G | |
| Average AMD Ryzen AI 7 350 (1874 - 2942, n=14) | |
| Average of class Multimedia (1534 - 4326, n=72, last 2 years) | |
| Geekbench 5.5 / Multi-Core | |
| Lenovo Yoga Pro 9 16IAH G10 RTX 5060 | |
| MSI Prestige 16 AI Evo B2HMG | |
| Average of class Multimedia (4652 - 20422, n=63, last 2 years) | |
| Average AMD Ryzen AI 7 350 (6705 - 12968, n=15) | |
| Acer Swift Go 16 AI SFG16-61-R5Y5 | |
| Acer Swift Go 16 AI SFG16-61-R5Y5 | |
| Dell 16 Plus | |
| LG Gram Pro 16Z90TS-G.AU89G | |
| Acer Aspire 16 A16-51GM-77G2 | |
| Geekbench 5.5 / Single-Core | |
| MSI Prestige 16 AI Evo B2HMG | |
| Acer Swift Go 16 AI SFG16-61-R5Y5 | |
| Acer Swift Go 16 AI SFG16-61-R5Y5 | |
| LG Gram Pro 16Z90TS-G.AU89G | |
| Dell 16 Plus | |
| Lenovo Yoga Pro 9 16IAH G10 RTX 5060 | |
| Acer Aspire 16 A16-51GM-77G2 | |
| Average of class Multimedia (805 - 2974, n=63, last 2 years) | |
| Average AMD Ryzen AI 7 350 (805 - 2155, n=15) | |
| HWBOT x265 Benchmark v2.2 / 4k Preset | |
| Lenovo Yoga Pro 9 16IAH G10 RTX 5060 | |
| MSI Prestige 16 AI Evo B2HMG | |
| Average AMD Ryzen AI 7 350 (16.2 - 22.9, n=13) | |
| Acer Swift Go 16 AI SFG16-61-R5Y5 | |
| Average of class Multimedia (5.26 - 34.3, n=61, last 2 years) | |
| LG Gram Pro 16Z90TS-G.AU89G | |
| Dell 16 Plus | |
| Acer Aspire 16 A16-51GM-77G2 | |
| LibreOffice / 20 Documents To PDF | |
| Average AMD Ryzen AI 7 350 (43.3 - 88.8, n=13) | |
| Average of class Multimedia (23.9 - 146.7, n=62, last 2 years) | |
| LG Gram Pro 16Z90TS-G.AU89G | |
| Dell 16 Plus | |
| MSI Prestige 16 AI Evo B2HMG | |
| Acer Swift Go 16 AI SFG16-61-R5Y5 | |
| Lenovo Yoga Pro 9 16IAH G10 RTX 5060 | |
| Acer Aspire 16 A16-51GM-77G2 | |
| R Benchmark 2.5 / Overall mean | |
| Average of class Multimedia (0.3604 - 0.947, n=61, last 2 years) | |
| LG Gram Pro 16Z90TS-G.AU89G | |
| Dell 16 Plus | |
| Acer Aspire 16 A16-51GM-77G2 | |
| Lenovo Yoga Pro 9 16IAH G10 RTX 5060 | |
| MSI Prestige 16 AI Evo B2HMG | |
| Acer Swift Go 16 AI SFG16-61-R5Y5 | |
| Average AMD Ryzen AI 7 350 (0.403 - 0.4934, n=13) | |
* ... smaller is better
AIDA64: FP32 Ray-Trace | FPU Julia | CPU SHA3 | CPU Queen | FPU SinJulia | FPU Mandel | CPU AES | CPU ZLib | FP64 Ray-Trace | CPU PhotoWorxx
| Performance rating | |
| Lenovo Yoga Pro 9 16IAH G10 RTX 5060 | |
| Average AMD Ryzen AI 7 350 | |
| Acer Swift Go 16 AI SFG16-61-R5Y5 | |
| MSI Prestige 16 AI Evo B2HMG | |
| Average of class Multimedia | |
| LG Gram Pro 16Z90TS-G.AU89G | |
| Dell 16 Plus | |
| Acer Aspire 16 A16-51GM-77G2 | |
| AIDA64 / FP32 Ray-Trace | |
| Average AMD Ryzen AI 7 350 (20203 - 28112, n=13) | |
| Acer Swift Go 16 AI SFG16-61-R5Y5 | |
| Lenovo Yoga Pro 9 16IAH G10 RTX 5060 | |
| MSI Prestige 16 AI Evo B2HMG | |
| Average of class Multimedia (2214 - 50388, n=58, last 2 years) | |
| LG Gram Pro 16Z90TS-G.AU89G | |
| Dell 16 Plus | |
| Acer Aspire 16 A16-51GM-77G2 | |
| AIDA64 / FPU Julia | |
| Lenovo Yoga Pro 9 16IAH G10 RTX 5060 | |
| Average AMD Ryzen AI 7 350 (75098 - 108991, n=13) | |
| Acer Swift Go 16 AI SFG16-61-R5Y5 | |
| MSI Prestige 16 AI Evo B2HMG | |
| Average of class Multimedia (12867 - 201874, n=59, last 2 years) | |
| LG Gram Pro 16Z90TS-G.AU89G | |
| Dell 16 Plus | |
| Acer Aspire 16 A16-51GM-77G2 | |
| AIDA64 / CPU SHA3 | |
| Lenovo Yoga Pro 9 16IAH G10 RTX 5060 | |
| MSI Prestige 16 AI Evo B2HMG | |
| Acer Swift Go 16 AI SFG16-61-R5Y5 | |
| Average AMD Ryzen AI 7 350 (3395 - 4399, n=13) | |
| Average of class Multimedia (653 - 8623, n=59, last 2 years) | |
| LG Gram Pro 16Z90TS-G.AU89G | |
| Dell 16 Plus | |
| Acer Aspire 16 A16-51GM-77G2 | |
| AIDA64 / CPU Queen | |
| Average of class Multimedia (13483 - 181505, n=59, last 2 years) | |
| Average AMD Ryzen AI 7 350 (67317 - 77400, n=13) | |
| Acer Swift Go 16 AI SFG16-61-R5Y5 | |
| Acer Aspire 16 A16-51GM-77G2 | |
| MSI Prestige 16 AI Evo B2HMG | |
| Lenovo Yoga Pro 9 16IAH G10 RTX 5060 | |
| LG Gram Pro 16Z90TS-G.AU89G | |
| Dell 16 Plus | |
| AIDA64 / FPU SinJulia | |
| Acer Swift Go 16 AI SFG16-61-R5Y5 | |
| Average AMD Ryzen AI 7 350 (11916 - 13856, n=13) | |
| Average of class Multimedia (1240 - 28794, n=59, last 2 years) | |
| Lenovo Yoga Pro 9 16IAH G10 RTX 5060 | |
| MSI Prestige 16 AI Evo B2HMG | |
| Acer Aspire 16 A16-51GM-77G2 | |
| LG Gram Pro 16Z90TS-G.AU89G | |
| Dell 16 Plus | |
| AIDA64 / FPU Mandel | |
| Lenovo Yoga Pro 9 16IAH G10 RTX 5060 | |
| Average AMD Ryzen AI 7 350 (39456 - 58771, n=12) | |
| Acer Swift Go 16 AI SFG16-61-R5Y5 | |
| MSI Prestige 16 AI Evo B2HMG | |
| Average of class Multimedia (6395 - 105740, n=58, last 2 years) | |
| LG Gram Pro 16Z90TS-G.AU89G | |
| Dell 16 Plus | |
| Acer Aspire 16 A16-51GM-77G2 | |
| AIDA64 / CPU AES | |
| Lenovo Yoga Pro 9 16IAH G10 RTX 5060 | |
| Acer Swift Go 16 AI SFG16-61-R5Y5 | |
| Average AMD Ryzen AI 7 350 (56915 - 87670, n=13) | |
| Average of class Multimedia (13243 - 169946, n=59, last 2 years) | |
| MSI Prestige 16 AI Evo B2HMG | |
| Acer Aspire 16 A16-51GM-77G2 | |
| Dell 16 Plus | |
| LG Gram Pro 16Z90TS-G.AU89G | |
| AIDA64 / CPU ZLib | |
| Lenovo Yoga Pro 9 16IAH G10 RTX 5060 | |
| Average AMD Ryzen AI 7 350 (839 - 1138, n=13) | |
| Acer Swift Go 16 AI SFG16-61-R5Y5 | |
| MSI Prestige 16 AI Evo B2HMG | |
| Average of class Multimedia (167.2 - 2022, n=59, last 2 years) | |
| Acer Aspire 16 A16-51GM-77G2 | |
| LG Gram Pro 16Z90TS-G.AU89G | |
| Dell 16 Plus | |
| AIDA64 / FP64 Ray-Trace | |
| Average AMD Ryzen AI 7 350 (10707 - 15203, n=12) | |
| Acer Swift Go 16 AI SFG16-61-R5Y5 | |
| Lenovo Yoga Pro 9 16IAH G10 RTX 5060 | |
| MSI Prestige 16 AI Evo B2HMG | |
| Average of class Multimedia (1014 - 26875, n=59, last 2 years) | |
| LG Gram Pro 16Z90TS-G.AU89G | |
| Dell 16 Plus | |
| Acer Aspire 16 A16-51GM-77G2 | |
| AIDA64 / CPU PhotoWorxx | |
| Lenovo Yoga Pro 9 16IAH G10 RTX 5060 | |
| MSI Prestige 16 AI Evo B2HMG | |
| LG Gram Pro 16Z90TS-G.AU89G | |
| Dell 16 Plus | |
| Average of class Multimedia (12860 - 65787, n=59, last 2 years) | |
| Average AMD Ryzen AI 7 350 (25283 - 47405, n=13) | |
| Acer Swift Go 16 AI SFG16-61-R5Y5 | |
| Acer Aspire 16 A16-51GM-77G2 | |
系统性能
从系统性能的总体情况来看,这种差异可以忽略不计。这要归功于组件的出色调校。快速的 LPDDR5X 内存和强大的集成图形处理器(iGPU)为确保整个系统在任何时候都能流畅运行、反应灵敏做出了巨大贡献。
PCMark 10: Score | Essentials | Productivity | Digital Content Creation
CrossMark: Overall | Productivity | Creativity | Responsiveness
WebXPRT 3: Overall
WebXPRT 4: Overall
Mozilla Kraken 1.1: Total
| Performance rating | |
| MSI Prestige 16 AI Evo B2HMG | |
| Lenovo Yoga Pro 9 16IAH G10 RTX 5060 | |
| Acer Aspire 16 A16-51GM-77G2 | |
| Acer Swift Go 16 AI SFG16-61-R5Y5 | |
| Average AMD Ryzen AI 7 350, AMD Radeon 860M | |
| Average of class Multimedia | |
| Dell 16 Plus | |
| LG Gram Pro 16Z90TS-G.AU89G | |
| PCMark 10 / Score | |
| MSI Prestige 16 AI Evo B2HMG | |
| Lenovo Yoga Pro 9 16IAH G10 RTX 5060 | |
| Acer Swift Go 16 AI SFG16-61-R5Y5 | |
| Average AMD Ryzen AI 7 350, AMD Radeon 860M (6982 - 7732, n=10) | |
| Dell 16 Plus | |
| Average of class Multimedia (4325 - 8670, n=55, last 2 years) | |
| LG Gram Pro 16Z90TS-G.AU89G | |
| Acer Aspire 16 A16-51GM-77G2 | |
| PCMark 10 / Essentials | |
| Average AMD Ryzen AI 7 350, AMD Radeon 860M (10801 - 12383, n=10) | |
| MSI Prestige 16 AI Evo B2HMG | |
| Acer Aspire 16 A16-51GM-77G2 | |
| Acer Swift Go 16 AI SFG16-61-R5Y5 | |
| Lenovo Yoga Pro 9 16IAH G10 RTX 5060 | |
| Dell 16 Plus | |
| Average of class Multimedia (8025 - 12420, n=55, last 2 years) | |
| LG Gram Pro 16Z90TS-G.AU89G | |
| PCMark 10 / Productivity | |
| Acer Swift Go 16 AI SFG16-61-R5Y5 | |
| Average AMD Ryzen AI 7 350, AMD Radeon 860M (9674 - 11226, n=10) | |
| MSI Prestige 16 AI Evo B2HMG | |
| Dell 16 Plus | |
| Acer Aspire 16 A16-51GM-77G2 | |
| Lenovo Yoga Pro 9 16IAH G10 RTX 5060 | |
| Average of class Multimedia (6763 - 10615, n=55, last 2 years) | |
| LG Gram Pro 16Z90TS-G.AU89G | |
| PCMark 10 / Digital Content Creation | |
| Lenovo Yoga Pro 9 16IAH G10 RTX 5060 | |
| MSI Prestige 16 AI Evo B2HMG | |
| Dell 16 Plus | |
| Acer Swift Go 16 AI SFG16-61-R5Y5 | |
| Average of class Multimedia (3651 - 15438, n=55, last 2 years) | |
| Average AMD Ryzen AI 7 350, AMD Radeon 860M (8746 - 10028, n=10) | |
| LG Gram Pro 16Z90TS-G.AU89G | |
| Acer Aspire 16 A16-51GM-77G2 | |
| CrossMark / Overall | |
| MSI Prestige 16 AI Evo B2HMG | |
| Lenovo Yoga Pro 9 16IAH G10 RTX 5060 | |
| Acer Aspire 16 A16-51GM-77G2 | |
| Average AMD Ryzen AI 7 350, AMD Radeon 860M (1452 - 2005, n=10) | |
| Average of class Multimedia (866 - 2426, n=64, last 2 years) | |
| Acer Swift Go 16 AI SFG16-61-R5Y5 | |
| Dell 16 Plus | |
| LG Gram Pro 16Z90TS-G.AU89G | |
| CrossMark / Productivity | |
| MSI Prestige 16 AI Evo B2HMG | |
| Acer Aspire 16 A16-51GM-77G2 | |
| Lenovo Yoga Pro 9 16IAH G10 RTX 5060 | |
| Average of class Multimedia (913 - 2344, n=64, last 2 years) | |
| Average AMD Ryzen AI 7 350, AMD Radeon 860M (1337 - 1869, n=10) | |
| Dell 16 Plus | |
| Acer Swift Go 16 AI SFG16-61-R5Y5 | |
| LG Gram Pro 16Z90TS-G.AU89G | |
| CrossMark / Creativity | |
| Lenovo Yoga Pro 9 16IAH G10 RTX 5060 | |
| MSI Prestige 16 AI Evo B2HMG | |
| Average AMD Ryzen AI 7 350, AMD Radeon 860M (1696 - 2236, n=10) | |
| Average of class Multimedia (907 - 2820, n=64, last 2 years) | |
| Dell 16 Plus | |
| LG Gram Pro 16Z90TS-G.AU89G | |
| Acer Swift Go 16 AI SFG16-61-R5Y5 | |
| Acer Aspire 16 A16-51GM-77G2 | |
| CrossMark / Responsiveness | |
| MSI Prestige 16 AI Evo B2HMG | |
| Acer Aspire 16 A16-51GM-77G2 | |
| Lenovo Yoga Pro 9 16IAH G10 RTX 5060 | |
| Average of class Multimedia (605 - 2094, n=64, last 2 years) | |
| Average AMD Ryzen AI 7 350, AMD Radeon 860M (1169 - 1784, n=10) | |
| Acer Swift Go 16 AI SFG16-61-R5Y5 | |
| Dell 16 Plus | |
| LG Gram Pro 16Z90TS-G.AU89G | |
| WebXPRT 3 / Overall | |
| MSI Prestige 16 AI Evo B2HMG | |
| Average of class Multimedia (136.4 - 545, n=67, last 2 years) | |
| Acer Swift Go 16 AI SFG16-61-R5Y5 | |
| Lenovo Yoga Pro 9 16IAH G10 RTX 5060 | |
| Acer Aspire 16 A16-51GM-77G2 | |
| Dell 16 Plus | |
| Average AMD Ryzen AI 7 350, AMD Radeon 860M (259 - 328, n=10) | |
| LG Gram Pro 16Z90TS-G.AU89G | |
| WebXPRT 4 / Overall | |
| MSI Prestige 16 AI Evo B2HMG | |
| Lenovo Yoga Pro 9 16IAH G10 RTX 5060 | |
| Dell 16 Plus | |
| LG Gram Pro 16Z90TS-G.AU89G | |
| Acer Aspire 16 A16-51GM-77G2 | |
| Average of class Multimedia (167.3 - 384, n=65, last 2 years) | |
| Acer Swift Go 16 AI SFG16-61-R5Y5 | |
| Average AMD Ryzen AI 7 350, AMD Radeon 860M (199.1 - 275, n=10) | |
| Mozilla Kraken 1.1 / Total | |
| Average AMD Ryzen AI 7 350, AMD Radeon 860M (434 - 693, n=10) | |
| LG Gram Pro 16Z90TS-G.AU89G | |
| Average of class Multimedia (228 - 835, n=70, last 2 years) | |
| Dell 16 Plus | |
| Acer Aspire 16 A16-51GM-77G2 | |
| Lenovo Yoga Pro 9 16IAH G10 RTX 5060 | |
| Acer Swift Go 16 AI SFG16-61-R5Y5 | |
| MSI Prestige 16 AI Evo B2HMG | |
* ... smaller is better
| PCMark 10 Score | 7494 points | |
Help | ||
| AIDA64 / Memory Copy | |
| Lenovo Yoga Pro 9 16IAH G10 RTX 5060 | |
| LG Gram Pro 16Z90TS-G.AU89G | |
| Dell 16 Plus | |
| MSI Prestige 16 AI Evo B2HMG | |
| Acer Swift Go 16 AI SFG16-61-R5Y5 | |
| Average AMD Ryzen AI 7 350 (38001 - 106997, n=13) | |
| Average of class Multimedia (21158 - 109252, n=59, last 2 years) | |
| Acer Aspire 16 A16-51GM-77G2 | |
| AIDA64 / Memory Read | |
| Dell 16 Plus | |
| LG Gram Pro 16Z90TS-G.AU89G | |
| Lenovo Yoga Pro 9 16IAH G10 RTX 5060 | |
| MSI Prestige 16 AI Evo B2HMG | |
| Average of class Multimedia (19699 - 125604, n=59, last 2 years) | |
| Acer Swift Go 16 AI SFG16-61-R5Y5 | |
| Average AMD Ryzen AI 7 350 (44209 - 63650, n=13) | |
| Acer Aspire 16 A16-51GM-77G2 | |
| AIDA64 / Memory Write | |
| Dell 16 Plus | |
| Acer Swift Go 16 AI SFG16-61-R5Y5 | |
| LG Gram Pro 16Z90TS-G.AU89G | |
| Average AMD Ryzen AI 7 350 (42604 - 110817, n=13) | |
| Lenovo Yoga Pro 9 16IAH G10 RTX 5060 | |
| Average of class Multimedia (21643 - 117933, n=59, last 2 years) | |
| MSI Prestige 16 AI Evo B2HMG | |
| Acer Aspire 16 A16-51GM-77G2 | |
| AIDA64 / Memory Latency | |
| MSI Prestige 16 AI Evo B2HMG | |
| Lenovo Yoga Pro 9 16IAH G10 RTX 5060 | |
| Average of class Multimedia (7 - 420, n=59, last 2 years) | |
| Acer Swift Go 16 AI SFG16-61-R5Y5 | |
| Average AMD Ryzen AI 7 350 (87.7 - 109.8, n=13) | |
| Dell 16 Plus | |
| LG Gram Pro 16Z90TS-G.AU89G | |
| Acer Aspire 16 A16-51GM-77G2 | |
* ... smaller is better
DPC 延迟
| DPC Latencies / LatencyMon - interrupt to process latency (max), Web, Youtube, Prime95 | |
| Acer Swift Go 16 AI SFG16-61-R5Y5 | |
* ... smaller is better
存储设备
大容量存储包括一个来自金士顿的 1 TB NVMe SSD。传输速率不错,在日常使用中可确保快速启动和快速加载过程。不过,该固态硬盘的一个弱点是在长时间持续读取或写入操作时会出现随温度变化的性能节流。固态硬盘无法在持续负载的情况下保持高性能。
* ... smaller is better
磁盘节流DiskSpd 读取循环,队列深度 8
图形处理器性能
集成的 AMD Radeon 860M (iGPU) 对于移动解决方案来说非常强大。要在现代游戏中达到可玩帧率 (FPS),建议将分辨率限制在全高清,并选择中等质量设置。在当前的 AAA 级游戏中,较高的设置会很快导致 FPS 明显下降,严重影响游戏的流畅性。不过,对于休闲游戏和老游戏,860M 可提供稳定的性能。
| 3DMark Performance rating - Percent | |
| Average of class Multimedia | |
| Acer Swift Go 16 AI SFG16-61-R5Y5 | |
| Average AMD Radeon 860M | |
| 3DMark 11 - 1280x720 Performance GPU | |
| Average of class Multimedia (3765 - 60002, n=59, last 2 years) | |
| Acer Swift Go 16 AI SFG16-61-R5Y5 | |
| Average AMD Radeon 860M (6901 - 12149, n=12) | |
| 3DMark | |
| 1280x720 Cloud Gate Standard Graphics | |
| Average of class Multimedia (16765 - 135848, n=28, last 2 years) | |
| Acer Swift Go 16 AI SFG16-61-R5Y5 | |
| Average AMD Radeon 860M (24614 - 43959, n=7) | |
| 1920x1080 Fire Strike Graphics | |
| Average of class Multimedia (2328 - 48907, n=63, last 2 years) | |
| Acer Swift Go 16 AI SFG16-61-R5Y5 | |
| Average AMD Radeon 860M (4449 - 7935, n=12) | |
| 2560x1440 Time Spy Graphics | |
| Average of class Multimedia (696 - 19403, n=64, last 2 years) | |
| Average AMD Radeon 860M (1656 - 2987, n=12) | |
| Acer Swift Go 16 AI SFG16-61-R5Y5 | |
| 3DMark 11 Performance | 11710 points | |
| 3DMark Ice Storm Standard Score | 199679 points | |
| 3DMark Cloud Gate Standard Score | 33922 points | |
| 3DMark Fire Strike Score | 6796 points | |
| 3DMark Time Spy Score | 2109 points | |
| 3DMark Steel Nomad Score | 492 points | |
| 3DMark Steel Nomad Light Score | 2001 points | |
Help | ||
| Blender - v3.3 Classroom CPU | |
| Average of class Multimedia (160 - 1042, n=65, last 2 years) | |
| Average AMD Radeon 860M (283 - 427, n=14) | |
| Acer Swift Go 16 AI SFG16-61-R5Y5 | |
| Acer Swift Go 16 AI SFG16-61-R5Y5 | |
* ... smaller is better
| Cyberpunk 2077 2.2 Phantom Liberty - 1920x1080 Ultra Preset (FSR off) | |
| Lenovo Yoga Pro 9 16IAH G10 RTX 5060 | |
| Average of class Multimedia (6.41 - 112.3, n=70, last 2 years) | |
| MSI Prestige 16 AI Evo B2HMG | |
| Acer Aspire 16 A16-51GM-77G2 | |
| Dell 16 Plus | |
| LG Gram Pro 16Z90TS-G.AU89G | |
| Acer Swift Go 16 AI SFG16-61-R5Y5 | |
| GTA V - 1920x1080 Highest Settings possible AA:4xMSAA + FX AF:16x | |
| Lenovo Yoga Pro 9 16IAH G10 RTX 5060 | |
| Average of class Multimedia (9.38 - 141.6, n=58, last 2 years) | |
| Acer Aspire 16 A16-51GM-77G2 | |
| LG Gram Pro 16Z90TS-G.AU89G | |
| Acer Swift Go 16 AI SFG16-61-R5Y5 | |
| MSI Prestige 16 AI Evo B2HMG | |
赛博朋克 2077》超 FPS 图表
| low | med. | high | ultra | QHD | |
|---|---|---|---|---|---|
| GTA V (2015) | 171.8 | 58.1 | 22 | ||
| Dota 2 Reborn (2015) | 153.3 | 130.1 | 87.4 | 77.1 | |
| Final Fantasy XV Benchmark (2018) | 76.7 | 37.1 | 26.3 | 18.4 | |
| X-Plane 11.11 (2018) | 69.5 | 55.6 | 44.5 | ||
| Strange Brigade (2018) | 150.1 | 56.5 | 47.8 | 41.4 | |
| Baldur's Gate 3 (2023) | 18 | ||||
| Cyberpunk 2077 2.2 Phantom Liberty (2023) | 36.1 | 18 | 16.7 | ||
| F1 25 (2025) | 65.4 | 54.2 | 38 | 30.7 |
排放与能源
系统噪音
要想最大限度地发挥这款设备的性能,必须有一副强健的耳膜。虽然宏碁 Swift Go 在正常运行时几乎听不到声音,但在我们进行最大散热压力测试时却变得相当响亮。在 15 厘米的距离内,我们测得的噪音高达 53 分贝(A)。
Noise level
| Idle |
| 25.1 / 25.1 / 25.1 dB(A) |
| Load |
| / 52.3 dB(A) |
![]() | ||
30 dB silent 40 dB(A) audible 50 dB(A) loud |
||
min: | ||
| Acer Swift Go 16 AI SFG16-61-R5Y5 Radeon 860M, Ryzen AI 7 350, Kingston OM8PGP41024Q-A0 | Lenovo Yoga Pro 9 16IAH G10 RTX 5060 GeForce RTX 5060 Laptop, Ultra 7 255H, WD PC SN7100S SDFPMSL-1T00-1101 | Dell 16 Plus Arc 140V, Core Ultra 7 256V | LG Gram Pro 16Z90TS-G.AU89G Arc 140V, Core Ultra 7 256V, Samsung PM9A1a MZVL21T0HDLU | MSI Prestige 16 AI Evo B2HMG Arc 140T, Ultra 9 285H, Micron 2500 1TB MTFDKBA1T0QGN | Acer Aspire 16 A16-51GM-77G2 GeForce RTX 2050 Mobile, Core 7 150U, WD PC SN740 SDDQNQD-1T00-1014 | |
|---|---|---|---|---|---|---|
| Noise | -1% | 9% | 4% | 9% | 2% | |
| off / environment * (dB) | 25 | 25.2 -1% | 23.4 6% | 25.2 -1% | 23.6 6% | 23 8% |
| Idle Minimum * (dB) | 25.1 | 25.2 -0% | 23.5 6% | 25.2 -0% | 23.6 6% | 23 8% |
| Idle Average * (dB) | 25.1 | 25.2 -0% | 23.5 6% | 25.2 -0% | 23.6 6% | 23 8% |
| Idle Maximum * (dB) | 25.1 | 26.9 -7% | 23.5 6% | 27.7 -10% | 26.2 -4% | 31 -24% |
| Cyberpunk 2077 ultra * (dB) | 52.4 | 50.2 4% | 42.6 19% | 42.6 19% | 42.1 20% | 50 5% |
| Load Maximum * (dB) | 52.3 | 52.7 -1% | 46.9 10% | 42.7 18% | 42.1 20% | 50 4% |
| Load Average * (dB) | 44.5 | 31.9 | 37.1 | 46.57 |
* ... smaller is better
温度
Swift Go 的表面温度基本在用户可控范围内。按键、手部休息区和触摸板即使在压力测试中也能保持舒适的温度。我们更担心的是吹到 OLED 面板上的热风,显示屏下边缘的温度超过 50 °C。在如此高的温度下,OLED 面板可能会失去部分使用寿命。
(±) The maximum temperature on the upper side is 45 °C / 113 F, compared to the average of 36.9 °C / 98 F, ranging from 21.1 to 71 °C for the class Multimedia.
(+) The bottom heats up to a maximum of 38 °C / 100 F, compared to the average of 39.2 °C / 103 F
(+) In idle usage, the average temperature for the upper side is 28.9 °C / 84 F, compared to the device average of 31.3 °C / 88 F.
(+) The palmrests and touchpad are cooler than skin temperature with a maximum of 27 °C / 80.6 F and are therefore cool to the touch.
(±) The average temperature of the palmrest area of similar devices was 28.7 °C / 83.7 F (+1.7 °C / 3.1 F).
| Acer Swift Go 16 AI SFG16-61-R5Y5 AMD Ryzen AI 7 350, AMD Radeon 860M | Lenovo Yoga Pro 9 16IAH G10 RTX 5060 Intel Core Ultra 7 255H, NVIDIA GeForce RTX 5060 Laptop | Dell 16 Plus Intel Core Ultra 7 256V, Intel Arc Graphics 140V | LG Gram Pro 16Z90TS-G.AU89G Intel Core Ultra 7 256V, Intel Arc Graphics 140V | MSI Prestige 16 AI Evo B2HMG Intel Core Ultra 9 285H, Intel Arc Graphics 140T | Acer Aspire 16 A16-51GM-77G2 Intel Core 7 150U, NVIDIA GeForce RTX 2050 Mobile | |
|---|---|---|---|---|---|---|
| Heat | 2% | 8% | 6% | 1% | -7% | |
| Maximum Upper Side * (°C) | 45 | 42.9 5% | 40.6 10% | 40.5 10% | 48.1 -7% | 47 -4% |
| Maximum Bottom * (°C) | 38 | 47.4 -25% | 40 -5% | 45 -18% | 51.6 -36% | 50 -32% |
| Idle Upper Side * (°C) | 32 | 27.6 14% | 29.2 9% | 27.1 15% | 25.9 19% | 31 3% |
| Idle Bottom * (°C) | 34 | 29 15% | 28.6 16% | 28.8 15% | 25.2 26% | 32 6% |
* ... smaller is better
发言人
Swift Go AI 的扬声器音量约为 83 dB(A),可提供清晰的语音和播客音效。它们的低音响应较弱,高音响应略显夸张。因此,它们的声音动态并不适合电影或音乐。
Acer Swift Go 16 AI SFG16-61-R5Y5 audio analysis
(+) | speakers can play relatively loud (83.7 dB)
Bass 100 - 315 Hz
(-) | nearly no bass - on average 28% lower than median
(±) | linearity of bass is average (7.9% delta to prev. frequency)
Mids 400 - 2000 Hz
(±) | higher mids - on average 5.1% higher than median
(±) | linearity of mids is average (7% delta to prev. frequency)
Highs 2 - 16 kHz
(+) | balanced highs - only 3.2% away from median
(+) | highs are linear (6.2% delta to prev. frequency)
Overall 100 - 16.000 Hz
(±) | linearity of overall sound is average (19.8% difference to median)
Compared to same class
» 64% of all tested devices in this class were better, 7% similar, 29% worse
» The best had a delta of 5%, average was 17%, worst was 45%
Compared to all devices tested
» 49% of all tested devices were better, 7% similar, 43% worse
» The best had a delta of 4%, average was 24%, worst was 134%
Apple MacBook Pro 16 2021 M1 Pro audio analysis
(+) | speakers can play relatively loud (84.7 dB)
Bass 100 - 315 Hz
(+) | good bass - only 3.8% away from median
(+) | bass is linear (5.2% delta to prev. frequency)
Mids 400 - 2000 Hz
(+) | balanced mids - only 1.3% away from median
(+) | mids are linear (2.1% delta to prev. frequency)
Highs 2 - 16 kHz
(+) | balanced highs - only 1.9% away from median
(+) | highs are linear (2.7% delta to prev. frequency)
Overall 100 - 16.000 Hz
(+) | overall sound is linear (4.6% difference to median)
Compared to same class
» 0% of all tested devices in this class were better, 0% similar, 100% worse
» The best had a delta of 5%, average was 17%, worst was 45%
Compared to all devices tested
» 0% of all tested devices were better, 0% similar, 100% worse
» The best had a delta of 4%, average was 24%, worst was 134%
耗电量
附带的 100 瓦电源绰绰有余--测量的最大耗电量短暂达到 98 瓦。经过短暂的提升阶段后,即使在压力测试期间,笔记本电脑也有足够的电量为电池充电。
在待机模式下,系统功耗为 6-9 瓦,这是许多 IPS 面板笔记本电脑的典型功耗。因此,考虑到 OLED 显示屏,Swift Go AI 的功耗相对较低。
| Off / Standby | |
| Idle | |
Key:
min: | |
功耗 赛博朋克/压力测试
外部显示器功耗
电池寿命
电池容量为 75 Wh,对于这种尺寸的笔记本电脑来说属于平均水平。使用 WiFi 上网冲浪时,电池可持续使用约 16 个小时。这对于一个工作日来说应该绰绰有余,无需担心携带电源。
| Acer Swift Go 16 AI SFG16-61-R5Y5 Ryzen AI 7 350, Radeon 860M, 75 Wh | Lenovo Yoga Pro 9 16IAH G10 RTX 5060 Ultra 7 255H, GeForce RTX 5060 Laptop, 84 Wh | Dell 16 Plus Core Ultra 7 256V, Arc 140V, 64 Wh | LG Gram Pro 16Z90TS-G.AU89G Core Ultra 7 256V, Arc 140V, 77 Wh | MSI Prestige 16 AI Evo B2HMG Ultra 9 285H, Arc 140T, 99.9 Wh | Acer Aspire 16 A16-51GM-77G2 Core 7 150U, GeForce RTX 2050 Mobile, 48.5 Wh | Average of class Multimedia | |
|---|---|---|---|---|---|---|---|
| Battery runtime | -41% | -16% | 17% | -2% | -40% | -32% | |
| WiFi v1.3 (h) | 16.8 | 9.9 -41% | 14.1 -16% | 19.6 17% | 16.5 -2% | 10.1 -40% | 11.4 ? -32% |
| H.264 (h) | 20.8 | 8.3 | 15.8 ? | ||||
| Load (h) | 2.4 | 2.2 | 1.676 ? |
笔记本检查评级
Acer Swift Go 16 AI SFG16-61-R5Y5
- 11/25/2025 v8
Marc Herter
可供选择的对比方案
Image | Model / Review | Price | Weight | Height | Display |
|---|---|---|---|---|---|
| Acer Swift Go 16 AI SFG16-61-R5Y5 AMD Ryzen AI 7 350 ⎘ AMD Radeon 860M ⎘ 16 GB Memory, 1024 GB SSD | List Price: 1299€ | 1.5 kg | 17 mm | 16.00" 2880x1800 151 PPI OLED | |
| Lenovo Yoga Pro 9 16IAH G10 RTX 5060 Intel Core Ultra 7 255H ⎘ NVIDIA GeForce RTX 5060 Laptop ⎘ 32 GB Memory, 1024 GB SSD | List Price: 2199€ | 1.9 kg | 17.9 mm | 16.00" 2880x1800 212 PPI OLED | |
| Dell 16 Plus Intel Core Ultra 7 256V ⎘ Intel Arc Graphics 140V ⎘ 16 GB Memory | Amazon: $1,235.99 List Price: 1150 USD | 1.8 kg | 16.99 mm | 16.00" 2560x1600 189 PPI IPS | |
| LG Gram Pro 16Z90TS-G.AU89G Intel Core Ultra 7 256V ⎘ Intel Arc Graphics 140V ⎘ 16 GB Memory, 1024 GB SSD | Amazon: 1. $1,329.99 LG gram Pro 2 in1 16-Inch Li... 2. $1,996.99 LG gram Pro 2in1 16-inch Lig... 3. $2,597.00 LG gram Pro 16-inch Lightwei... List Price: 2050€ | 1.2 kg | 13 mm | 16.00" 2560x1600 189 PPI IPS | |
| MSI Prestige 16 AI Evo B2HMG Intel Core Ultra 9 285H ⎘ Intel Arc Graphics 140T ⎘ 32 GB Memory, 1024 GB SSD | Amazon: 1. $1,499.99 MSI Prestige 16 AI Evo Lapto... 2. $1,799.00 msi Prestige 16 AI Evo B1MG-... 3. $1,669.00 MSI Prestige 16 AI Evo Lapto... | 1.6 kg | 18.95 mm | 16.00" 2560x1600 189 PPI IPS | |
| Acer Aspire 16 A16-51GM-77G2 Intel Core 7 150U ⎘ NVIDIA GeForce RTX 2050 Mobile ⎘ 16 GB Memory, 1024 GB SSD | Amazon: 1. $119.50 Factory Original 16GB (1x16G... 2. $85.87 A-Tech 16GB RAM for Acer Asp... List Price: 929 Euro | 1.9 kg | 21 mm | 16.00" 1920x1200 142 PPI IPS | |
| Dell 16 Premium DA16250 Intel Core Ultra 7 255H ⎘ NVIDIA GeForce RTX 5070 Laptop ⎘ 32 GB Memory, 1024 GB SSD | Amazon: $3,599.00 List Price: 3300 USD | 2.3 kg | 18.7 mm | 16.30" 3840x2400 278 PPI OLED | |
| Lenovo IdeaPad Slim 5 16AKP10 AMD Ryzen AI 5 330 ⎘ AMD Radeon 820M ⎘ 16 GB Memory, 512 GB SSD | Amazon: 1. $749.00 Lenovo IdeaPad Slim 5 16AKP1... 2. $678.00 Lenovo 2025 IdeaPad Slim 5 L... 3. $579.00 Lenovo IdeaPad Slim 5, 16" W... List Price: 700 EUR | 1.9 kg | 18.4 mm | 16.00" 1920x1200 142 PPI IPS |
Transparency
The selection of devices to be reviewed is made by our editorial team. The test sample was provided to the author as a loan by the manufacturer or retailer for the purpose of this review. The lender had no influence on this review, nor did the manufacturer receive a copy of this review before publication. There was no obligation to publish this review. As an independent media company, Notebookcheck is not subjected to the authority of manufacturers, retailers or publishers.
This is how Notebookcheck is testing
Every year, Notebookcheck independently reviews hundreds of laptops and smartphones using standardized procedures to ensure that all results are comparable. We have continuously developed our test methods for around 20 years and set industry standards in the process. In our test labs, high-quality measuring equipment is utilized by experienced technicians and editors. These tests involve a multi-stage validation process. Our complex rating system is based on hundreds of well-founded measurements and benchmarks, which maintains objectivity. Further information on our test methods can be found here.
























































