结论 三星Galaxy A17 4G
你很难买到比三星Galaxy A17 4G 更便宜的 AMOLED 屏幕智能手机了:这款手机的售价不到 200 欧元。但它没有 5G 功能,内存只有 4GB,至少基本机型是这样。电池续航时间也相当一般。
你不会希望在相对较慢的 SoC 上运行过于复杂的应用程序。不过,大多数日常任务都能流畅运行。
配备广角和微距摄像头的灵活相机系统也很特别,尽管它们的分辨率很低。
你不得不忍受屏幕上的 PWM 闪烁,也不应对 Wi-Fi 网速有太高的要求。
不过,总的来说,三星Galaxy A17 4G 是一款配置不凡的经济型智能手机,绝对值得一看。
Pros
Cons
价格和供应情况
在亚马逊网站上,这款智能手机的售价约为 230 美元。
规格
外壳和功能 - 塑料和大猩猩玻璃
三星Galaxy A17 4G 的机身经过重新设计,变得更加纤薄,重量也比上一代产品轻了 10 克。
整个外壳由塑料制成,但看起来很结实,表面也很光洁。背面略微反射环境光,但整体设计相当简洁。摄像头组合在一个椭圆形模块中。屏幕由大猩猩胜利玻璃(Gorilla Glass Victus)保护,这在同价位产品中十分罕见。
我们的测试机配备 4GB RAM 和 128GB 大容量存储空间。还有一款配备 8GB RAM 和 256GB 大容量存储空间的机型,差价约为 30 欧元。
我们喜欢 NFC 功能,例如用于移动支付服务。
该机不能使用 eSIM 卡,但有两个 nano-SIM 卡插槽。其中一个还可用于 microSD 卡,最大可将内存扩展至 2 TB。在我们的测试中,读卡器工作速度相当快,传输速率也相当稳定。
» Notebookcheck多媒体笔记本电脑Top 10排名
» Notebookcheck游戏笔记本电脑Top 10排名
» Notebookcheck低价办公/商务笔记本电脑Top 10排名
» Notebookcheck高端办公/商务笔记本电脑Top 10排名
» Notebookcheck工作站笔记本电脑Top 10排名
» Notebookcheck亚笔记本电脑Top 10排名
» Notebookcheck超级本产品Top 10排名
» Notebookcheck变形本产品Top 10排名
» Notebookcheck平板电脑Top 10排名
» Notebookcheck智能手机Top 10排名
» Notebookcheck评测过最出色的笔记本电脑屏幕
» Notebookcheck售价500欧元以下笔记本电脑Top 10排名
» Notebookcheck售价300欧元以下笔记本电脑Top 10排名
| SD Card Reader - average JPG Copy Test (av. of 3 runs) | |
| Samsung Galaxy A17 5G (Angelbird V60) | |
| Samsung Galaxy A16 4G (Angelbird V60) | |
| Samsung Galaxy A17 4G | |
| Xiaomi Redmi 15C 5G (Angelbird V60) | |
| Average of class Smartphone (5.72 - 58.9, n=69, last 2 years) | |
| Motorola Moto G15 (Angelbird V60) | |
跨平台磁盘测试 (CPDT)
通信和操作 - 带指纹传感器的 LTE 手机
在没有 5G 移动通信的情况下,LTE 网络的可用频段也不多。
在我们测试过程中的各种抽查中,接收效果并不总是最佳,但很少出现完全无法接收的情况。
在 Wi-Fi 方面,手机最多只能使用 WiFi 5 标准。这意味着数据传输速率可以稳定地达到每秒约 300 MBit。
屏幕每秒最多可显示 90 帧,因此对输入的反应相当迅速。触摸屏可精确操作。
指纹传感器集成在外壳右侧的待机键上,解锁手机时无需等待,非常可靠。也可以通过面部识别进行生物解锁。在光线充足的环境下,它也能快速、准确地工作。
| Networking | |
| Samsung Galaxy A17 4G | |
| iperf3 transmit AXE11000 | |
| iperf3 receive AXE11000 | |
| Samsung Galaxy A17 5G | |
| iperf3 transmit AXE11000 | |
| iperf3 receive AXE11000 | |
| Xiaomi Redmi 15C 5G | |
| iperf3 transmit AXE11000 | |
| iperf3 receive AXE11000 | |
| Samsung Galaxy A16 4G | |
| iperf3 transmit AXE11000 | |
| iperf3 receive AXE11000 | |
| Motorola Moto G15 | |
| iperf3 transmit AXE11000 | |
| iperf3 receive AXE11000 | |
| Average 802.11 a/b/g/n/ac | |
| iperf3 transmit AXE11000 | |
| iperf3 receive AXE11000 | |
| Average of class Smartphone | |
| iperf3 transmit AXE11000 | |
| iperf3 receive AXE11000 | |
软件和可持续性 - 6 年更新?
Android 15 预装在设备上,上面还有三星的 OneUI,这对操作系统的改变相当大。
Galaxy A17 4G 的更新将持续到 2031 年,即从发布起的六年内,新版本的操作系统将在此期间提供。不过,三星在其网站上对此进行了限制,添加了 "最多 "和其他法律条款。因此,你不能完全依赖这个伟大的承诺。
Galaxy A17 4G 采用纸质包装。可回收材料仅占产品的 1.4%。至少有一个自修数据库三星在其中提供备件。
相机 - 异常灵活
摄像头与 Galaxy A16 4G相比,A16 4G 在摄像头方面没有任何变化,但其配置已经非常丰富:除了 5000 万像素的主摄像头外,还有一个广角镜头和一个微距镜头。这两个镜头的分辨率都不高,但相机系统仍然相当灵活。
主摄像头拍摄的照片色彩尚可。细节并不总是很容易辨认。周围的图像在某些地方也显得有些模糊。在光线较暗和对比度较强的情况下,亮度相当不错,大部分区域的细节仍然清晰可见。
视频录制最高可达 1080p 和 30 fps。细节清晰,但自动对焦有时太慢。
广角摄像头拍摄的图像看起来相当粗糙。前置摄像头自拍效果不错,细节清晰。
Image comparison
Choose a scene and navigate within the first image. One click changes the position on touchscreens. One click on the zoomed-in image opens the original in a new window. The first image shows the scaled photograph of the test device.
Hauptkamera PflanzeHauptkamera UmgebungHauptkamera LowLightWeitwinkel

显示屏 - 明亮的 90 Hz AMOLED
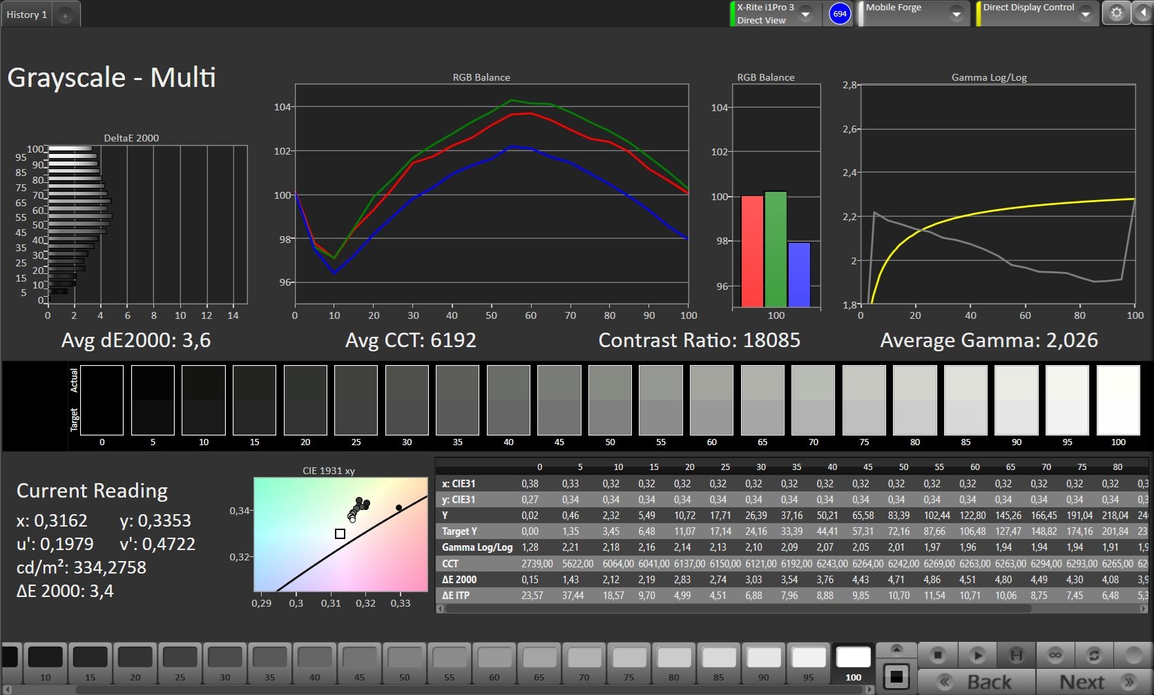
Galaxy A17 的 AMOLED 屏幕在 200 欧元以下的价格范围内非常罕见。屏幕亮度高达 687 cd/m²。
色彩还原也很令人满意,只有肉眼几乎看不到的轻微偏差。
画面看起来相当清晰,色彩鲜艳。
不过,在亮度较低的情况下,你也必须接受 PWM 闪烁。
| |||||||||||||||||||||||||
Brightness Distribution: 93 %
Center on Battery: 687 cd/m²
Contrast: ∞:1 (Black: 0 cd/m²)
ΔE ColorChecker Calman: 3.45 | ∀{0.5-29.43 Ø4.78}
ΔE Greyscale Calman: 3.6 | ∀{0.09-98 Ø5}
99.8% sRGB (Calman 2D)
Gamma: 2.026
CCT: 6192 K
| Samsung Galaxy A17 4G AMOLED, 2340x1080, 6.7" | Samsung Galaxy A17 5G AMOLED, 2340x1080, 6.7" | Xiaomi Redmi 15C 5G IPS, 1600x720, 6.9" | Samsung Galaxy A16 4G Super AMOLED, 2340x1080, 6.7" | Motorola Moto G15 IPS, 2400x1080, 6.7" | |
|---|---|---|---|---|---|
| Screen | 5% | 1% | 8% | 5% | |
| Brightness middle (cd/m²) | 687 | 691 1% | 591 -14% | 729 6% | 468 -32% |
| Brightness (cd/m²) | 666 | 672 1% | 557 -16% | 716 8% | 452 -32% |
| Brightness Distribution (%) | 93 | 92 -1% | 91 -2% | 95 2% | 86 -8% |
| Black Level * (cd/m²) | 0.51 | 0.3 | |||
| Colorchecker dE 2000 * | 3.45 | 3.15 9% | 3.25 6% | 3.14 9% | 2.07 40% |
| Colorchecker dE 2000 max. * | 5.49 | 4.41 20% | 6.77 -23% | 4.24 23% | 6.38 -16% |
| Greyscale dE 2000 * | 3.6 | 3.6 -0% | 1.6 56% | 3.6 -0% | 0.8 78% |
| Gamma | 2.026 109% | 2.041 108% | 2.299 96% | 2.057 107% | 2.202 100% |
| CCT | 6192 105% | 6507 100% | 6967 93% | 6441 101% | 6607 98% |
| Contrast (:1) | 1159 | 1560 |
* ... smaller is better
Screen Flickering / PWM (Pulse-Width Modulation)
| Screen flickering / PWM detected | 367 Hz Amplitude: 16 % | ||
The display backlight flickers at 367 Hz (worst case, e.g., utilizing PWM) . The frequency of 367 Hz is relatively high, so most users sensitive to PWM should not notice any flickering. However, there are reports that some users are still sensitive to PWM at 500 Hz and above, so be aware. In comparison: 53 % of all tested devices do not use PWM to dim the display. If PWM was detected, an average of 8121 (minimum: 5 - maximum: 343500) Hz was measured. | |||
Display Response Times
| ↔ Response Time Black to White | ||
|---|---|---|
| 2.5 ms ... rise ↗ and fall ↘ combined | ↗ 1.2 ms rise | |
| ↘ 1.3 ms fall | ||
| The screen shows very fast response rates in our tests and should be very well suited for fast-paced gaming. In comparison, all tested devices range from 0.1 (minimum) to 240 (maximum) ms. » 12 % of all devices are better. This means that the measured response time is better than the average of all tested devices (20.2 ms). | ||
| ↔ Response Time 50% Grey to 80% Grey | ||
| 2 ms ... rise ↗ and fall ↘ combined | ↗ 1 ms rise | |
| ↘ 1 ms fall | ||
| The screen shows very fast response rates in our tests and should be very well suited for fast-paced gaming. In comparison, all tested devices range from 0.165 (minimum) to 636 (maximum) ms. » 8 % of all devices are better. This means that the measured response time is better than the average of all tested devices (31.6 ms). | ||
性能、排放和电池寿命--相当快
联发科 联发科技 Helio G99是该价位中非常受欢迎的 SoC。它通常能实现流畅运行,但在要求更高的情况下可能会出现等待时间。
其性能明显低于Galaxy A17 的 5G 型号,但在其他方面与同价位机型相当。UFS 2.2 内存的运行速度相当快,但实际上比前代产品慢,这只能用不同的内存控制器或软件节流来解释。
在长时间负载的情况下,手机发热最高可达 44.4 °C,虽然明显,但并不严重。长时间使用后,手机也最多出现轻微的节流。
底部边缘的单扬声器比前代产品音质更好,在最大音量时依然很好,高音不再那么重。因此,你绝对可以听流行音乐或电影原声带。USB 或蓝牙连接可用于外接音频设备。不过,用于无线传输的音频编解码器相对较少。
5,000 毫安时电池与 Galaxy A16 4G运行时间略有不同。在我们的 WiFi 电池测试中,三星Galaxy A17 4G 的续航时间约为 13 小时,这暴露了它与其他手机相比的一个弱点。
| Jetstream 2 - 2.0 Total Score | |
| Average of class Smartphone (23.8 - 387, n=153, last 2 years) | |
| Samsung Galaxy A17 5G | |
| Xiaomi Redmi 15C 5G | |
| Samsung Galaxy A17 4G | |
| Average Mediatek Helio G99 (46.9 - 90.3, n=13) | |
| Samsung Galaxy A17 4G | Samsung Galaxy A17 5G | Xiaomi Redmi 15C 5G | Samsung Galaxy A16 4G | Motorola Moto G15 | Average 128 GB eMMC Flash | Average of class Smartphone | |
|---|---|---|---|---|---|---|---|
| AndroBench 3-5 | -1% | 181% | 179% | -3% | -16% | 476% | |
| Sequential Read 256KB (MB/s) | 518.6 | 528.2 2% | 509.9 -2% | 942.8 82% | 287.7 -45% | 300 ? -42% | 2223 ? 329% |
| Sequential Write 256KB (MB/s) | 172.6 | 170.7 -1% | 512.1 197% | 710.8 312% | 228.5 32% | 195.1 ? 13% | 1838 ? 965% |
| Random Read 4KB (MB/s) | 141.1 | 134.7 -5% | 196.3 39% | 208.8 48% | 65.2 -54% | 85.9 ? -39% | 295 ? 109% |
| Random Write 4KB (MB/s) | 55.9 | 56.4 1% | 329 489% | 208.1 272% | 87.4 56% | 58.1 ? 4% | 335 ? 499% |
(±) The maximum temperature on the upper side is 44.4 °C / 112 F, compared to the average of 35.2 °C / 95 F, ranging from 21.9 to 247 °C for the class Smartphone.
(±) The bottom heats up to a maximum of 44.9 °C / 113 F, compared to the average of 34 °C / 93 F
(+) In idle usage, the average temperature for the upper side is 25.3 °C / 78 F, compared to the device average of 32.9 °C / 91 F.
3DMark 压力测试
| 3DMark | |
| Wild Life Stress Test Stability | |
| Samsung Galaxy A17 4G | |
| Motorola Moto G15 | |
| Samsung Galaxy A17 5G | |
| Xiaomi Redmi 15C 5G | |
| Samsung Galaxy A16 4G | |
| Wild Life Extreme Stress Test | |
| Motorola Moto G15 | |
| Xiaomi Redmi 15C 5G | |
| Samsung Galaxy A17 4G | |
| Samsung Galaxy A16 4G | |
| Samsung Galaxy A17 5G | |
Samsung Galaxy A17 4G audio analysis
(+) | speakers can play relatively loud (89 dB)
Bass 100 - 315 Hz
(-) | nearly no bass - on average 24% lower than median
(±) | linearity of bass is average (12.9% delta to prev. frequency)
Mids 400 - 2000 Hz
(±) | higher mids - on average 6.1% higher than median
(+) | mids are linear (5.3% delta to prev. frequency)
Highs 2 - 16 kHz
(±) | higher highs - on average 6.5% higher than median
(±) | linearity of highs is average (9% delta to prev. frequency)
Overall 100 - 16.000 Hz
(±) | linearity of overall sound is average (21.9% difference to median)
Compared to same class
» 44% of all tested devices in this class were better, 8% similar, 48% worse
» The best had a delta of 11%, average was 35%, worst was 134%
Compared to all devices tested
» 62% of all tested devices were better, 7% similar, 31% worse
» The best had a delta of 4%, average was 24%, worst was 134%
Motorola Moto G15 audio analysis
(+) | speakers can play relatively loud (84.3 dB)
Bass 100 - 315 Hz
(-) | nearly no bass - on average 23.7% lower than median
(±) | linearity of bass is average (11.9% delta to prev. frequency)
Mids 400 - 2000 Hz
(±) | higher mids - on average 5.3% higher than median
(+) | mids are linear (5.8% delta to prev. frequency)
Highs 2 - 16 kHz
(+) | balanced highs - only 3.3% away from median
(+) | highs are linear (5.9% delta to prev. frequency)
Overall 100 - 16.000 Hz
(±) | linearity of overall sound is average (19.9% difference to median)
Compared to same class
» 32% of all tested devices in this class were better, 8% similar, 61% worse
» The best had a delta of 11%, average was 35%, worst was 134%
Compared to all devices tested
» 50% of all tested devices were better, 7% similar, 43% worse
» The best had a delta of 4%, average was 24%, worst was 134%
| Samsung Galaxy A17 4G 5000 mAh | Samsung Galaxy A17 5G 5000 mAh | Xiaomi Redmi 15C 5G 6000 mAh | Samsung Galaxy A16 4G 5000 mAh | Motorola Moto G15 5200 mAh | |
|---|---|---|---|---|---|
| Battery runtime | 2% | 43% | 16% | 31% | |
| WiFi v1.3 (h) | 13 | 13.2 2% | 18.6 43% | 15.1 16% | 17 31% |
| Reader / Idle (h) | 33.7 | 27.2 | 29.8 | ||
| H.264 (h) | 17.9 | 23.7 | 19.8 | ||
| Load (h) | 4.5 | 5.8 | 5.5 |
Notebookcheck 总体评分
三星Galaxy A17 4G 的配置在同价位手机中非常出色。
唯一的弱点是运行时间和不稳定的更新承诺。

Samsung Galaxy A17 4G
- 10/24/2025 v8
Florian Schmitt
可比较的替代品
Image | Model / Review | Price | Weight | Drive | Display |
|---|---|---|---|---|---|
| Samsung Galaxy A17 4G Mediatek Helio G99 ⎘ ARM Mali-G57 MP2 ⎘ 4 GB Memory, 128 GB eMMC | Amazon: $204.99 List Price: 185€ | 190 g | 128 GB eMMC Flash | 6.70" 2340x1080 385 PPI AMOLED | |
| Samsung Galaxy A17 5G Samsung Exynos 1330 ⎘ ARM Mali-G68 MP2 ⎘ 4 GB Memory, 128 GB eMMC | Amazon: $212.70 List Price: 209€ | 192 g | 128 GB eMMC Flash | 6.70" 2340x1080 385 PPI AMOLED | |
| Xiaomi Redmi 15C 5G Mediatek Dimensity 6300 ⎘ ARM Mali-G57 MP2 ⎘ 4 GB Memory, 128 GB UFS 2.1 | Amazon: 1. $7.99 Suttkue for Xiaomi Redmi 15C... 2. $3.59 Mr.Shield Screen Protector c... 3. $8.57 GANGANPRO 2 Pack Privacy Scr... List Price: 170€ | 211 g | 128 GB UFS 2.2 Flash | 6.90" 1600x720 254 PPI IPS | |
| Samsung Galaxy A16 4G Mediatek Helio G99 ⎘ ARM Mali-G57 MP2 ⎘ 4 GB Memory, 128 GB UFS 2.1 | Amazon: $125.67 List Price: 179€ | 200 g | 128 GB UFS 2.2 Flash | 6.70" 2340x1080 385 PPI Super AMOLED | |
| Motorola Moto G15 Mediatek Helio G81 ⎘ ARM Mali-G52 MP2 ⎘ 4 GB Memory, 128 GB eMMC | Amazon: $133.70 List Price: 150€ | 190 g | 128 GB eMMC Flash | 6.72" 2400x1080 392 PPI IPS |
Transparency
The selection of devices to be reviewed is made by our editorial team. The test sample was provided to the author as a loan by the manufacturer or retailer for the purpose of this review. The lender had no influence on this review, nor did the manufacturer receive a copy of this review before publication. There was no obligation to publish this review. As an independent media company, Notebookcheck is not subjected to the authority of manufacturers, retailers or publishers.
This is how Notebookcheck is testing
Every year, Notebookcheck independently reviews hundreds of laptops and smartphones using standardized procedures to ensure that all results are comparable. We have continuously developed our test methods for around 20 years and set industry standards in the process. In our test labs, high-quality measuring equipment is utilized by experienced technicians and editors. These tests involve a multi-stage validation process. Our complex rating system is based on hundreds of well-founded measurements and benchmarks, which maintains objectivity. Further information on our test methods can be found here.























